• Опис
  • Характеристики
  • Наявність у магазинах
  • Відгуки0
0%
Насосна станція Thermo Alliance AT-SDB80 0,75 кВт
Насосна станція Thermo Alliance AT-SDB80 0,75 кВт
Насосна станція Thermo Alliance AT-SDB80 0,75 кВт
Thermo Alliance
Артикул: TAATSDB80
Поки немає відгуків
Насосна станція Thermo Alliance AT-SDB80 0,75 кВт з гідроакумулятором об’ємом 24 літри та насосом серії QBM обладнана реле тиску й працює у автоматичному режимі. Сфера застосування такого сучасного обладнання — підвищення тиску у мережах різного призначення, подача води з відкритих водойм, колодязів, свердловин, накопичувальних резервуарів у системи поливу садів та городів, зрошення рослин тощо. Спеціальна латунна вставка спрощує пуск насоса після простою, захищає від утворення іржі.
Артикул
TAATSDB80
Бренд
Характеристики
Основні
Артикул
TAATSDB80
Бренд
Інші параметри
Код
SD00046707
Вага нетто, кг
14,6
Країна виробник
Китай
Країна реєстрації бренду
Україна
Тип виробу
Насосна станція
Габаритні розміри упаковки (ВхШхГ), мм
590х455х285
Комплектація
Насос, кабель з євровилкою, інструкція, гарантійний талон
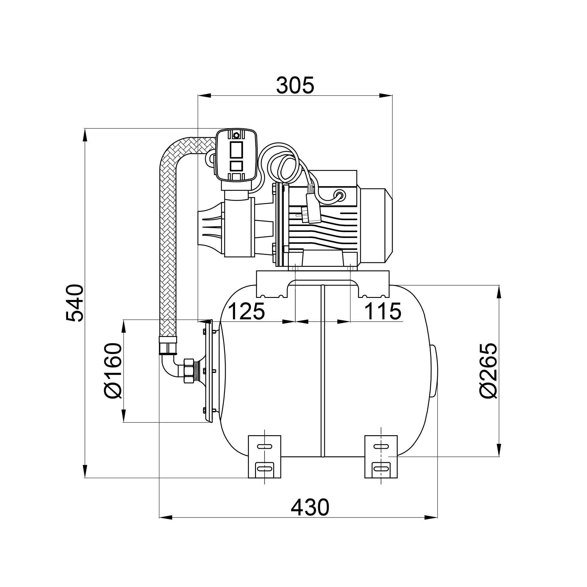
Габаритні розміри виробу (ВхШхГ), мм
540х430х265
Вага брутто, кг
15,85
Тип підключення
Різьба
Споживана потужність, Вт
750
Управління
Механічне
Вал двигуна
Нержавіюча сталь
Гарантія на гідравлічну частину
12 міс.
Гарантія на електродвигун
36 міс.
Допустима температура навколишнього середовища, °С
40
Допустима температура рідини, °C
50
Корпус насоса
Чавун
Макс. глибина всмоктування, м
8,5
Максимальна витрата, л/хв
56
Максимальний напір, м
65
Механізм насоса
Вихревой
Напруга мережі, В
220/230
Обмотка статора
Мідь
Підвищення тиску
Є
Размер вихідного під‘єднання
1"
Розмір вхідного під‘єднання
1"
Якість води
Чиста
Наявність реле тиску
Є
Об‘єм гідробака, л
24
Наявність у магазинах
Насосна станція Thermo Alliance AT-SDB80 0,75 кВт
4 744 грн. /шт
Немає в наявності
Нова Пошта
Готівковий та безготівковий розрахунок, банківські картки
Відгуки
Хочете залишити відгук?Поставте свою оцінку!
Зробіть вибір!